SP24-17A16-04CE

SP24-17A16-04CE
SP24-17A16-04CE

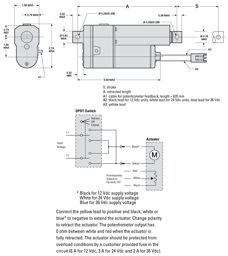
執行器, Electrak 1, 電位計, Cable length 2 英寸, Connector (Motor), Flying Leads (Feedback)


  • 非常緊湊,重量輕
  • 電位計反饋
  • 耐腐蝕外殼
  • 自鎖梯形螺紋絲杠驅動系統
  • 免維護
  • 非常適合用于替代類似尺寸的氣缸和液壓缸

Dimensions

dimensions

Specifications

Specifications價值
Anti-rotation是 
Brake無(自鎖) 
Cable length2 英寸
ConnectionConnector (Motor), Flying Leads (Feedback) 
Connector TypePackard Electric Pack-Con male 8911773 with terminal 6294511 
End Play, Max0.036 英寸
Manual Override否 
Motor ControlNone 
Protection, End-of-strokeElectronic 
Protection, OverloadNone 
Temperature Max150 °F
Temperature Min-15 °F
Weight1.3 lb
材質銅;鋼;鋅;鋁合金;塑料 
額定行程4 英寸
反饋電位計 
防護等級IP66 
絲杠類型愛克米螺桿 

Performance

performance graphic
performance graphic
performance graphic
Performance價值
Duty Cyle25 %
Restraining Torque0 in-lbs

Get Quote

*Please fill out the information below so we can best assist you:

您想定期收到湯姆森電子郵件更新,包括應用故事,在線培訓的機會,新產品信息和鏈接在線設計工具。