S24-17A16-02
Can't find what you're looking for? Go to the Product Selector
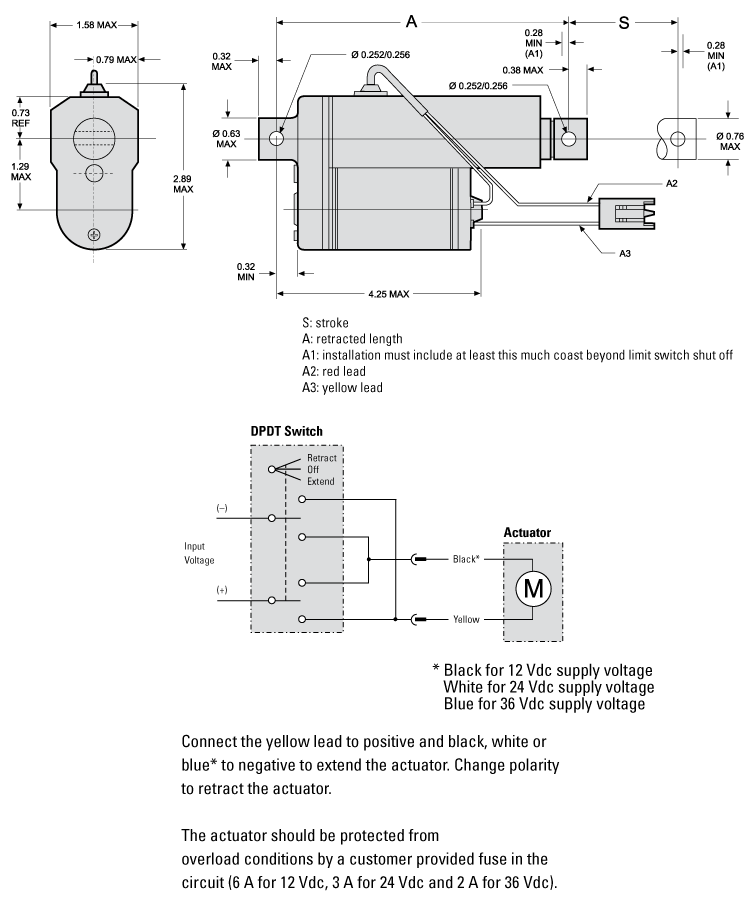
執(zhí)行器, Electrak 1, 24 直流電壓伏特, 340 N, 46.2 毫米, 無反饋, Cable length 2 英寸, Connector, 7 毫米每秒 移動速度 @ 滿載
- 非常緊湊,重量輕
- 可選用行程末端限位開關(guān)或者電位計反饋
- 耐腐蝕外殼
- 自鎖梯形螺紋絲杠驅(qū)動系統(tǒng)
- 免維護
- 非常適合用于替代類似尺寸的氣缸和液壓缸
