PC40LX006B20-0400TM1
Can't find what you're looking for? Go to the Product Selector
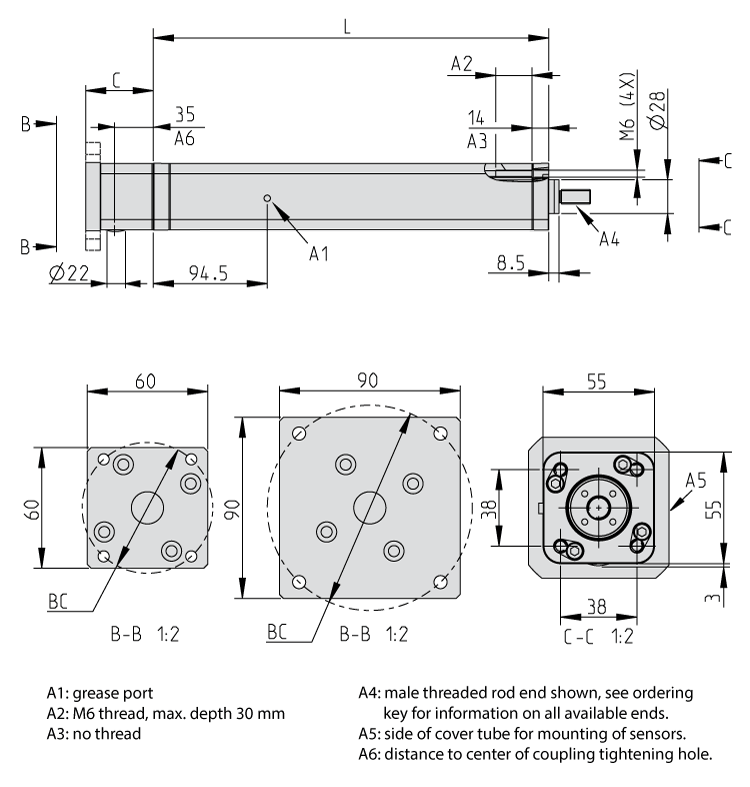
執行器,精密, Motor not included, Direct Drive, Inline, 400 毫米 Stroke, 20 毫米 Travel Per Shaft Rev, No Brake, 6000 N
- 緊湊、堅固、可靠
- 標準防護等級為IP65
- 高精度滾珠螺母
- 不銹鋼延長管
- 不銹鋼外螺紋桿接頭
- 單點潤滑
- 大直徑滾珠絲杠
- 平滑外輪廓
- 安裝附件符合氣動ISO標準
