M1-D012-0050-A03-LN
Can't find what you're looking for? Go to the Product Selector
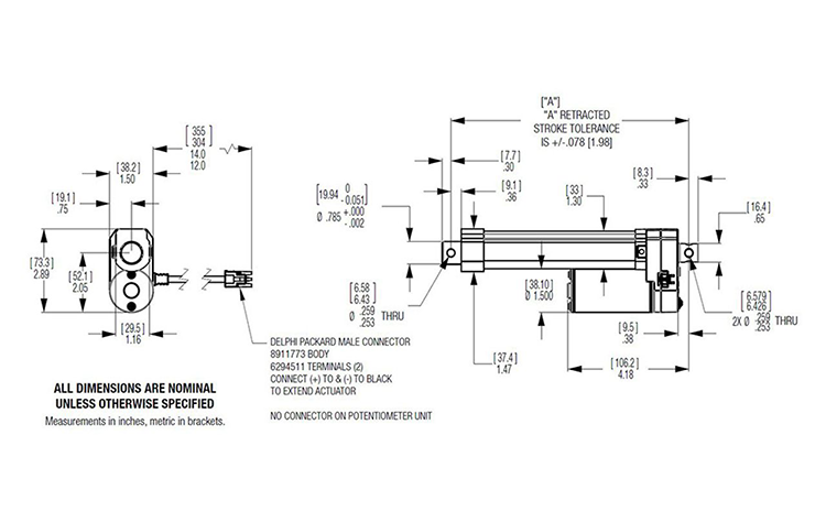
執(zhí)行器, M-Track, 12 直流電壓伏特, 50 磅力, Connector
- Internal limit switches automatically shut off the unit at end of stroke.
- Optional potentiometer can provide positional location feedback.
- Rod is non rotating during operation, can be rotated for mounting purposes.
